DTR502B | Vaisala Vietnam

Thiết bị DTR502B | Vaisala Vietnam là cảm biến đo độ ẩm và nhiệt độ chính xác cao, được thiết kế cho các ứng dụng trong nhà và ngoài trời.
Sản phẩm thuộc dòng thiết bị đo lường tiên tiến của Vaisala, nổi tiếng với độ bền, độ tin cậy và hiệu suất ổn định.
Nhờ áp dụng công nghệ HUMICAP® độc quyền, DTR502B | Vaisala Vietnam mang đến kết quả đo chính xác và nhất quán trong thời gian dài.
Đặc điểm nổi bật của DTR502B | Vaisala Vietnam
-
Độ chính xác cao: Cảm biến HUMICAP® giúp đo độ ẩm và nhiệt độ ổn định, sai số cực thấp.
-
Thiết kế bền bỉ: Vỏ bảo vệ chống nước và bụi, hoạt động tốt trong môi trường khắc nghiệt.
-
Dễ dàng lắp đặt: Thiết kế gọn nhẹ, tương thích với nhiều hệ thống giám sát môi trường.
-
Bảo trì thuận tiện: Cảm biến có thể tháo rời, dễ hiệu chuẩn và thay thế.
-
Hiệu suất ổn định: Đảm bảo dữ liệu chính xác lâu dài, giảm nhu cầu bảo dưỡng định kỳ.
Ứng dụng của DTR502B | Vaisala Vietnam
-
Dùng trong trạm thời tiết để đo độ ẩm và nhiệt độ không khí chính xác.
-
Ứng dụng trong nhà máy sản xuất để kiểm soát điều kiện môi trường.
-
Phù hợp cho phòng thí nghiệm cần dữ liệu đo lường đáng tin cậy.
-
Sử dụng trong hệ thống HVAC để tối ưu điều hòa và giám sát môi trường làm việc.
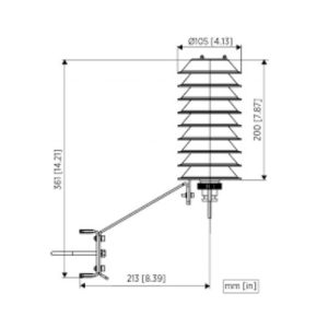
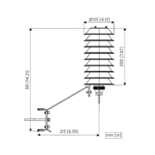
Bảng thông số kỹ thuật của DTR502B | Vaisala Vietnam
| Thông số kỹ thuật | Giá trị |
|---|---|
| Hãng sản xuất | Vaisala |
| Model | DTR502B |
| Dải đo độ ẩm | 0…100% RH |
| Dải đo nhiệt độ | -40…+60°C |
| Độ chính xác độ ẩm | ±2% RH |
| Độ chính xác nhiệt độ | ±0.2°C |
| Cảm biến độ ẩm | HUMICAP® |
| Thời gian đáp ứng | <15 giây |
| Vỏ bảo vệ | IP65 chống nước và bụi |
| Nguồn cấp | 10–35 VDC |
| Ngõ ra tín hiệu | Analog / Digital |
| Ứng dụng | Trạm thời tiết, công nghiệp, phòng thí nghiệm, HVAC |
Đánh giá
Chưa có đánh giá nào.